Картер - Цилиндр

Бесплатный подбор запчастей
Напишите какие детали ищете, мы перезвоним и подскажем какие точно подойдут для вашего инструмента
Ваша заявка отправлена. Наш менеджер свяжется с Вами для консультации в течение часа
Самостоятельный поиск запчастей
Обращаем внимание, что не сможем обменять вскрытые детали, которые не подошли. Чтобы избежать недоразумений, рекомендуем проконсультироваться с нашим сервисным иженером по телефону 8 495 215-58-03
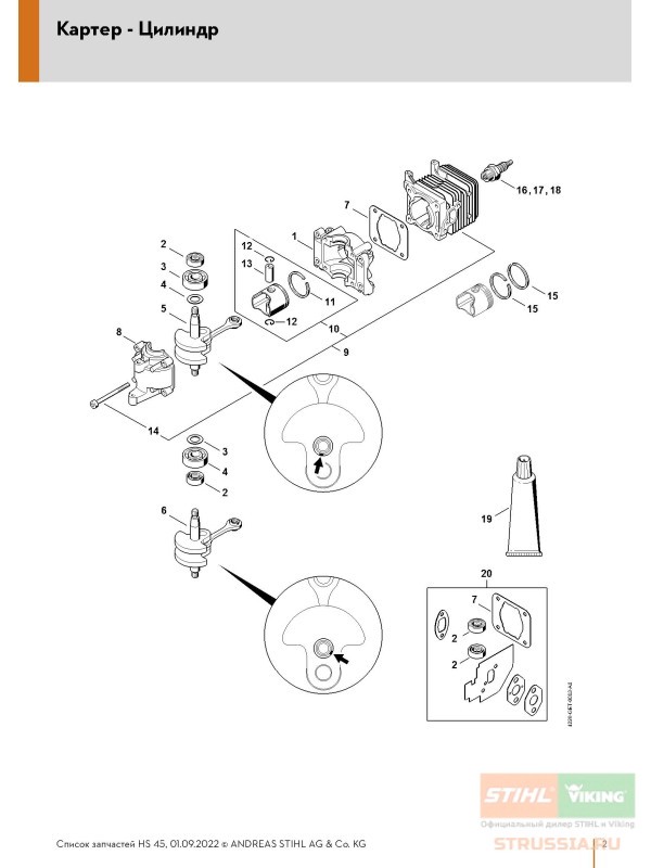
№ на схеме
Цена, ₽
7
BT 121 FS 55 FS 350 HS 45
Картер - Цилиндр
Шайба
41400360300
60
Имя:
Телефон:
*

Официальный дилер STIHL и VIKING Официальный дилер STIHL и VIKING
Официальный дилер STIHL и VIKING info@strussia.ru
8 495 212-05-27 8 800 333-65-87
09:00 — 20:00 понедельник - пятница 09:00 — 18:00 Sa,Su
Наличные, Visa/Mastercard, Б/Н расчет, Кредит
Россия ул. Павловская, 27с3 (м. Тульская)
Карта
hCard photo of Официальный дилер STIHL и VIKING
115093 Россия, г. Москва, ул. Павловская, 27с3 (м. Тульская)
Телефоны: 8 495 212-05-27, 8 800 333-65-87
Мы работаем 09:00 — 20:00 понедельник - пятница, 09:00 — 18:00 суббота - воскресенье