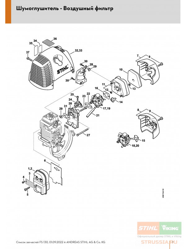
Шумоглушитель - Воздушный фильтр

Бесплатный подбор запчастей
Напишите какие детали ищете, мы перезвоним и подскажем какие точно подойдут для вашего инструмента
Ваша заявка отправлена. Наш менеджер свяжется с Вами для консультации в течение часа
Самостоятельный поиск запчастей
Обращаем внимание, что не сможем обменять вскрытые детали, которые не подошли. Чтобы избежать недоразумений, рекомендуем проконсультироваться с нашим сервисным иженером по телефону 8 495 215-58-03
№ на схеме
Цена, ₽
11
MS 180 MS 180 MS 180 MS 361 MS 661 MS 881 BT 131 TS 800 FS 55 FS 130 FS 350 FS 450 HS 82 R
Шумоглушитель - Воздушный фильтр
Шестигранная гайка М5
92162610700
25
14
FS 130
Шумоглушитель - Воздушный фильтр
Поворотный рычаг
41801829502
185
32
FS 130
Шумоглушитель - Воздушный фильтр
Кожух
41800801600
1640
Имя:
Телефон:
*

Официальный дилер STIHL и VIKING Официальный дилер STIHL и VIKING
Официальный дилер STIHL и VIKING info@strussia.ru
8 495 212-05-27 8 800 333-65-87
09:00 — 20:00 понедельник - пятница 09:00 — 18:00 Sa,Su
Наличные, Visa/Mastercard, Б/Н расчет, Кредит
Россия ул. Павловская, 27с3 (м. Тульская)
Карта
hCard photo of Официальный дилер STIHL и VIKING
115093 Россия, г. Москва, ул. Павловская, 27с3 (м. Тульская)
Телефоны: 8 495 212-05-27, 8 800 333-65-87
Мы работаем 09:00 — 20:00 понедельник - пятница, 09:00 — 18:00 суббота - воскресенье