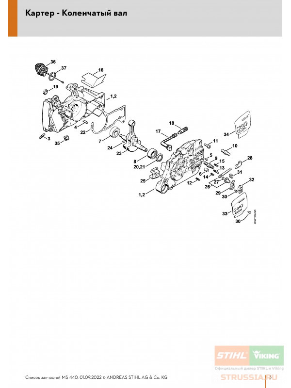
Картер - Коленчатый вал
Бесплатный подбор запчастей
Напишите какие детали ищете, мы перезвоним и подскажем какие точно подойдут для вашего инструмента
Ваша заявка отправлена. Наш менеджер свяжется с Вами для консультации в течение часа

Самостоятельный поиск запчастей
Обращаем внимание, что не сможем обменять вскрытые детали, которые не подошли. Чтобы избежать недоразумений, рекомендуем проконсультироваться с нашим сервисным иженером по телефону 8 495 215-58-03